2방향 나사산 티타늄 볼 밸브
압력:150PS1
온도: 0도 C - 1200도 C.
본체, 가슴:주철 Fg 260, 주강 Gr WCB, CF8, CF8M의 견고한 일체형 주조.
좌석: 바디에 통합, 소프트, 선택 가능
핸드 휠: 주철, 주강, 연성 주철
글랜드 패킹: PTFE, PTFE 함침
압력:150PS1
온도: 0도 C - 1200도 C.
본체, 가슴:주철 Fg 260, 주강 Gr WCB, CF8, CF8M의 견고한 일체형 주조.
좌석: 바디에 통합, 소프트, 선택 가능
핸드 휠: 주철, 주강, 연성 주철
글랜드 패킹: PTFE, PTFE 함침 문의 보내기 제품 소개
2웨이 볼 밸브란?
밸브는 또한 압력 용량이 다릅니다. 일반적으로 더 작은 직경의 밸브는 높은 압력을 처리합니다. 압력 용량은 150lb에서 2500lb까지 다양합니다.2방향 작동 볼 밸브밸브가 기계적 또는 전기적 작동을 통해 흐름을 조절해야 하는 응용 분야에서 사용됩니다. 볼과 밸브 바디에 사용되는 재료는 내부로 흐르는 재료와 예상 압력에 따라 달라질 수 있습니다.
2-웨이 볼 밸브는 중앙에 구멍이 있는 볼로 구성된 간단한 설계를 통해 유체의 흐름을 제어하는 밸브 유형입니다. 제공된 정보를 기반으로 주요 기능에 대한 세부 사항은 다음과 같습니다.
기능성: 2-웨이 볼 밸브는 주로 밸브 내부에서 볼을 회전시켜 흐름을 시작, 중지 또는 조절하도록 설계되었습니다. 볼의 구멍이 흐름 경로와 일치하면(열린 위치) 유체가 통과할 수 있습니다. 볼을 90도 회전하면 흐름이 차단됩니다(닫힌 위치).
압력 용량: 이 밸브는 일반적으로 150lb에서 2500lb까지 다양한 압력 등급으로 제공됩니다. 압력 등급은 밸브가 누출이나 고장 없이 안전하게 처리할 수 있는 최대 압력을 나타냅니다.
작동: 일부 2-웨이 볼 밸브는 수동으로 작동(수동 작동)되는 반면, 다른 밸브는 기계적으로 또는 전기적으로 작동될 수 있습니다. 작동 볼 밸브는 모터, 공압 액추에이터 또는 전기 액추에이터를 사용하여 밸브의 개폐를 자동화합니다. 이는 원격 작동, 정밀 제어 또는 자동화가 필요한 애플리케이션에 유용합니다.
재료: 볼과 밸브 바디의 재료 선택은 밸브를 흐르는 유체의 종류와 예상 압력 조건을 포함한 특정 응용 분야 요구 사항에 따라 달라집니다. 일반적인 재료에는 스테인리스 스틸, 탄소강, 황동, 청동 및 다양한 합금이 있습니다. 이 선택은 유체 특성과의 호환성과 부식 또는 마모에 대한 저항성을 보장합니다.
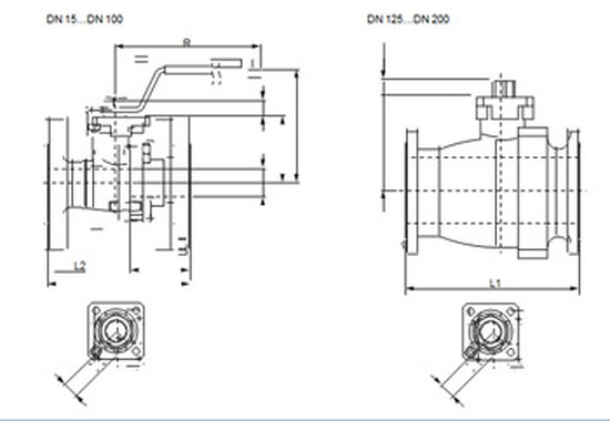
제품 사양: 클래스 150 2 웨이 볼 밸브 치수

| 디엔에이 | L1 | L2 | H1 | H2 | H3 | R | ISO 5211 | U | 플랜지 드릴링 | 무게 |
| [mm] | [수량] | [킬로그램] | ||||||||
| 15 | 108 | 41.5 | 50 | 11 | 92 | 180 | F05 | 11 | 4 | 2 |
| 20 | 117 | 48.5 | 53.5 | 11 | 92.5 | 180 | F05 | 11 | 4 | 2.5 |
| 25 | 127 | 54 | 58.5 | 14 | 100.5 | 180 | F05 | 14 | 4 | 3.4 |
| 32 | 140 | 67 | 71 | 14 | 113 | 180 | F05 | 14 | 4 | 4.7 |
| 40 | 165 | 84 | 76 | 17 | 122.5 | 300 | F07 | 17 | 4 | 7.2 |
| 50 | 178 | 90 | 83.5 | 17 | 130 | 300 | F07 | 17 | 4 | 10 |
| 65 | 190.5 | 92.5 | 95 | 17 | 141.5 | 300 | F07 | 17 | 4 | 14.7 |
| 80 | 203 | 94.2 | 113 | 22 | 194.5 | 400 | F10 | 22 | 4 | 20.4 |
| 100 | 229 | 114.5 | 131 | 22 | 212.5 | 400 | F10 | 22 | 4 | 31.3 |
| 125 | 325 | – | 151.5 | 22 | – | 700 | F10 | 22 | 8 | 52 |
| 150 | 394 | – | 217 | 37 | – | 700 | F14 | 36 | 8 | 74 |
| 200 | 457 | – | 252 | 37 | – | 700 | F14 | 36 | 8 | 100 |
클래스 300 2 웨이 볼 밸브의 치수 표
| 디엔에이 | L1 | L2 | H1 | H2 | H3 | R | ISO 5211 | U | 플랜지 드릴링 | 무게 |
| [mm] | [수량] | [킬로그램] | ||||||||
| 15 | 140 | 73.5 | 50 | 12 | 92 | 180 | F05 | 11 | 4 | 2.5 |
| 20 | 152 | 83.5 | 58.7 | 11 | 97.7 | 180 | F05 | 11 | 4 | 3.6 |
| 25 | 165 | 92 | 62 | 14 | 104 | 180 | F05 | 14 | 4 | 4.5 |
| 32 | 178 | 105 | 71 | 15 | 117 | 180 | F05 | 14 | 4 | 6.1 |
| 40 | 190 | 109 | 78 | 15 | 124.5 | 300 | F07 | 17 | 4 | 9.7 |
| 50 | 216 | 128 | 84.5 | 17.5 | 135 | 300 | F07 | 17 | 8 | 11.6 |
| 65 | 241 | 143 | 95.5 | 16.5 | 142 | 300 | F07 | 17 | 8 | 17 |
| 80 | 282.5 | 173.7 | 113 | 22 | 198.5 | 400 | F10 | 22 | 8 | 25.1 |
| 100 | 305 | 190.5 | 131 | 23.5 | 216.5 | 400 | F10 | 22 | 8 | 43.1 |
| 150 | 403 | – | 217 | 37 | – | 700 | F14 | 36 | 8 | 124 |
| 200 | 502 | – | 252 | 37 | – | 700 | F14 | 36 | 8 | 180 |
2 Way Ball Valve의 특징:
흐름 제어: 2-웨이 볼 밸브의 주요 기능은 유체 흐름을 제어하는 것입니다. 밸브 내부에서 볼을 회전시키면 흐름 경로를 열거나 닫을 수 있습니다. 이를 통해 전체 흐름에서 완전한 차단까지 유체 흐름을 정밀하게 조절할 수 있습니다.
심플한 디자인: 밸브는 중앙에 보어가 있는 구형 볼로 구성되어 있습니다. 보어가 밸브 끝과 정렬되면 유체가 흐르고 90도 회전하면 흐름이 차단됩니다. 이러한 단순성으로 인해 2-way 볼 밸브는 작동 및 유지 관리가 쉽습니다.
다재: 이 밸브는 다재다능하며 가스, 액체, 슬러리를 포함한 광범위한 유체를 처리할 수 있습니다. 석유 및 가스, 화학 처리, 수자원 관리, HVAC 등의 산업에서 사용됩니다.
수동 및 작동 옵션: 2-웨이 볼 밸브는 수동 및 작동 버전으로 제공됩니다.
수동: 수동 밸브는 레버나 핸드휠을 사용하여 수동으로 돌려 흐름을 제어합니다.
작동됨: 작동 밸브는 공압, 전기 또는 유압 액추에이터를 사용하여 자동화된 작동을 수행합니다. 이를 통해 원격 제어, 자동화 시스템에 대한 통합 및 정밀한 흐름 관리가 가능합니다.
압력 및 온도 등급: 이 밸브는 다양한 압력 등급으로 제공되며, 일반적으로 저압에서 고압 응용 분야까지 다양합니다. 마찬가지로, 건설에 사용된 재료에 따라 광범위한 온도를 처리할 수 있습니다.
재료 옵션: 밸브 바디와 볼의 재료는 적용 요건에 따라 다릅니다. 일반적인 재료로는 스테인리스 스틸, 황동, 청동, 탄소강 및 다양한 합금이 있습니다. 재료 선택은 제어되는 유체와의 호환성과 부식 또는 마모에 대한 저항성을 보장합니다.
밀봉 메커니즘: 2-웨이 볼 밸브의 밀봉 메커니즘은 일반적으로 PTFE(테프론), RPTFE(강화 PTFE) 또는 금속과 같은 재질로 만든 시트를 사용하여 완벽한 차단과 최소한의 누출을 보장합니다.
낮은 유지 관리: 견고한 구조와 최소한의 가동 부품으로 인해 2-웨이 볼 밸브는 일반적으로 유지 관리가 거의 필요 없어 유체 제어를 위한 비용 효율적인 솔루션입니다.
2 Way 볼 밸브 사양 차트:
| 크기 | 50NB - 600NB |
|---|---|
| 압력 | 150PS1 |
| 온도 | 0도 C - 1200도 C. |
| 몸통, 가슴 | 주철 Fg 260, 주강 Gr WCB, CF8, CF8M의 견고한 일체형 주조물입니다. |
| 좌석 | 신체에 필수적이며 부드럽고 선택 가능. |
| 너트 | 놋쇠 |
| 멍에 | MS의 플레이트 유형. |
| 글랜드 팔로워 | 주철, 주강, 연성 주철, CF8, CF8M. |
| 핸드 휠 | 주철, 주강, 연성주철 |
| 글랜드 패킹 | PTFE, PTFE 함침 |
| 끝 | 러그드 |
| 포트 | STANDARD [라운드], 옵션 V 포트, 다이아몬드 포트,. |
인기 탭: 2방향 나사산 티타늄 볼 밸브, 중국, 제조업체, 공급업체, 공장, 맞춤형, 저렴한 가격, 재고 있음, 중국산, 표준 티타늄 재료, 티타늄 화학 특성, 티타늄 재료 가격, 티타늄 재료 용접 공정, 티타늄 재료 도매상, 티타늄 기계적 특성
Previous
API 6D 트러니언 장착 볼 밸브You Might Also Like
Send Inquiry



