2 Way Threaded Titanium Ball Valve
Pressure:150PS1
Temperature:0 Deg C - 1200 Deg C.
Body , Chest:Solid One piece casting of Cast Iron Fg 260, Cast Steel Gr WCB ,CF8,CF8M.
Seat:Integral to Body, Soft, Optional
Hand Wheel:Cast Iron , Cast steel , Ductile Iron
Gland Packing:PTFE , PTFE Impregnated
What is 2 Way Ball Valve?
The valves also have different pressure capacities. Usually the smaller diameter valves handle high pressures. The pressure capacities range from 150lb to 2500lb. The 2 Way Actuated Ball Valve is used in applications where the valve has to regulate the flow through mechanical or electrical operation. The materials used for the ball and the valve body might vary based on the material flowing inside and the expected pressure.
A 2-way ball valve is a type of valve that controls the flow of fluid through a simple design consisting of a ball with a hole through its center. Here's a breakdown of its key features based on the provided information:
Functionality: The 2-way ball valve is primarily designed to start, stop, or regulate flow by rotating the ball inside the valve. When the hole in the ball is aligned with the flow path (open position), fluid can pass through. Rotating the ball 90 degrees blocks the flow (closed position).
Pressure Capacities: These valves are available in different pressure ratings, typically ranging from 150lb to 2500lb. The pressure rating indicates the maximum pressure the valve can safely handle without leaking or failing.
Actuation: While some 2-way ball valves are manually operated (hand-operated), others can be actuated mechanically or electrically. Actuated ball valves use motors, pneumatic actuators, or electric actuators to automate the opening and closing of the valve. This is useful in applications where remote operation, precise control, or automation is required.
Materials: The choice of materials for the ball and valve body depends on the specific application requirements, including the type of fluid flowing through the valve and the expected pressure conditions. Common materials include stainless steel, carbon steel, brass, bronze, and various alloys. The selection ensures compatibility with the fluid properties and resistance to corrosion or wear.
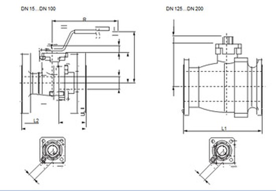
Product Specifications:Class 150 2 Way Ball Valve Dimensions

| DN | L1 | L2 | H1 | H2 | H3 | R | ISO 5211 | U | Flange Drillings | Weight |
| [mm] | [Quantity] | [kg] | ||||||||
| 15 | 108 | 41.5 | 50 | 11 | 92 | 180 | F05 | 11 | 4 | 2 |
| 20 | 117 | 48.5 | 53.5 | 11 | 92.5 | 180 | F05 | 11 | 4 | 2.5 |
| 25 | 127 | 54 | 58.5 | 14 | 100.5 | 180 | F05 | 14 | 4 | 3.4 |
| 32 | 140 | 67 | 71 | 14 | 113 | 180 | F05 | 14 | 4 | 4.7 |
| 40 | 165 | 84 | 76 | 17 | 122.5 | 300 | F07 | 17 | 4 | 7.2 |
| 50 | 178 | 90 | 83.5 | 17 | 130 | 300 | F07 | 17 | 4 | 10 |
| 65 | 190.5 | 92.5 | 95 | 17 | 141.5 | 300 | F07 | 17 | 4 | 14.7 |
| 80 | 203 | 94.2 | 113 | 22 | 194.5 | 400 | F10 | 22 | 4 | 20.4 |
| 100 | 229 | 114.5 | 131 | 22 | 212.5 | 400 | F10 | 22 | 4 | 31.3 |
| 125 | 325 | – | 151.5 | 22 | – | 700 | F10 | 22 | 8 | 52 |
| 150 | 394 | – | 217 | 37 | – | 700 | F14 | 36 | 8 | 74 |
| 200 | 457 | – | 252 | 37 | – | 700 | F14 | 36 | 8 | 100 |
Dimensions Table of Class 300 2 Way Ball Valve
| DN | L1 | L2 | H1 | H2 | H3 | R | ISO 5211 | U | Flange Drillings | Weight |
| [mm] | [Quantity] | [kg] | ||||||||
| 15 | 140 | 73.5 | 50 | 12 | 92 | 180 | F05 | 11 | 4 | 2.5 |
| 20 | 152 | 83.5 | 58.7 | 11 | 97.7 | 180 | F05 | 11 | 4 | 3.6 |
| 25 | 165 | 92 | 62 | 14 | 104 | 180 | F05 | 14 | 4 | 4.5 |
| 32 | 178 | 105 | 71 | 15 | 117 | 180 | F05 | 14 | 4 | 6.1 |
| 40 | 190 | 109 | 78 | 15 | 124.5 | 300 | F07 | 17 | 4 | 9.7 |
| 50 | 216 | 128 | 84.5 | 17.5 | 135 | 300 | F07 | 17 | 8 | 11.6 |
| 65 | 241 | 143 | 95.5 | 16.5 | 142 | 300 | F07 | 17 | 8 | 17 |
| 80 | 282.5 | 173.7 | 113 | 22 | 198.5 | 400 | F10 | 22 | 8 | 25.1 |
| 100 | 305 | 190.5 | 131 | 23.5 | 216.5 | 400 | F10 | 22 | 8 | 43.1 |
| 150 | 403 | – | 217 | 37 | – | 700 | F14 | 36 | 8 | 124 |
| 200 | 502 | – | 252 | 37 | – | 700 | F14 | 36 | 8 | 180 |
Features of 2 Way Ball Valves:
Flow Control: The primary function of a 2-way ball valve is to control the flow of fluids. By rotating the ball inside the valve, the flow path can either be opened or closed. This allows for precise regulation of fluid flow, from full flow to complete shut-off.
Simple Design: The valve consists of a spherical ball with a bore through its center. When the bore is aligned with the valve ends, fluid flows through; when rotated 90 degrees, the flow is blocked. This simplicity makes 2-way ball valves easy to operate and maintain.
Versatility: These valves are versatile and can handle a wide range of fluids, including gases, liquids, and slurries. They are used in industries such as oil and gas, chemical processing, water management, HVAC, and more.
Manual and Actuated Options: 2-way ball valves come in both manual and actuated versions:
Manual: Hand-operated valves are manually rotated using a lever or handwheel to control flow.
Actuated: Actuated valves use pneumatic, electric, or hydraulic actuators for automated operation. This allows for remote control, integration into automated systems, and precise flow management.
Pressure and Temperature Ratings: These valves are available in various pressure ratings, typically ranging from low to high pressure applications. Similarly, they can handle a wide range of temperatures depending on the materials used in construction.
Material Options: Materials for the valve body and ball vary based on application requirements. Common materials include stainless steel, brass, bronze, carbon steel, and various alloys. The choice of material ensures compatibility with the fluid being controlled and resistance to corrosion or wear.
Sealing Mechanism: The sealing mechanism of a 2-way ball valve typically involves seats made of materials such as PTFE (Teflon), RPTFE (Reinforced PTFE), or metal, ensuring tight shut-off and minimal leakage.
Low Maintenance: Due to their robust construction and minimal moving parts, 2-way ball valves generally require low maintenance, making them cost-effective solutions for fluid control.
2 Way Ball Valve Specification Chart:
| Size | 50NB - 600NB |
|---|---|
| Pressure | 150PS1 |
| Temperature | 0 Deg C - 1200 Deg C. |
| Body , Chest | Solid One piece casting of Cast Iron Fg 260, Cast Steel Gr WCB ,CF8,CF8M. |
| Seat | Integral to Body, Soft, Optional. |
| Nut | Brass |
| Yoke | Plate type of MS . |
| Gland Follower | Cast Iron , Cast steel , Ductile Iron ,CF8,CF8M. |
| Hand Wheel | Cast Iron , Cast steel , Ductile Iron |
| Gland Packing | PTFE , PTFE Impregnated |
| Ends | Lugged |
| Port | STANDARD [Round], Optional V Port, Diamond Port,. |
You Might Also Like
Send Inquiry



